本腔腔体采用316L超低碳不锈钢,经过精密的氩弧焊、内壁电抛光和超净清洗等工艺,最大化减少表面积并形成致密钝化层,同时全部采用出气率极低的CF法兰、无氧铜垫圈、316L不锈钢波纹管来确保绝对气密性。
应用场景:原子钟、量子计算、表面科学、粒子加速器及航天器测试等领域,为高精度实验与工业应用提供极低噪声、高稳定性的真空环境。

金属腔规格: | |
材质 | 316L不锈钢 |
抛光工艺 | 电抛光 |
内部镀层 | 钝化处理 |
极限真空度 | ≤1×10-10 Torr(囚禁原子数≥109个) |
窗口数 | 10 |
最大允许压力 | 1500Torr |
加热温度(℃) | 150°C-250°C |
工作湿度(RH) | ≤85% |
法兰最大负载 | 200KG轴向力 |
反亥姆霍兹线圈 | 可根据需求设计,满足:线径3mm,中空1.5mm水冷结构;磁场梯度:≥10 G/cm(典型工作电流下);可调节位置,兼容蝶形腔光轴与磁场中心对准。 |
订购信息 | |
物料编码 | P10012300007 |
产品型号 | C2410QLV0012 |
系统部件接口分布(除箭头指示外,其它均为光学窗口): | |
| |
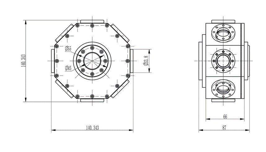
机械尺寸: | |
| |
可连接部件: | |
CF法兰 | 1.33英寸 |
CF法兰垫片 | 1.33英寸 |
CF直通接头 | 1.33英寸 |
CF波纹管 | 1.33英寸 |
CF视窗 | 1.33英寸 |
CF变径接头 | 1.33英寸 |
拆箱安装及安全性: | |
该产品为真空部件,请务必在高级别的洁净室或超净工作台中装配使用,配件首选低蒸汽压和低放气率的材料,严禁使用塑料、橡胶、普通油脂、锌、镉等易挥发材料。 使用丙酮,乙醇等有机溶剂时,切勿使用溶剂流入法兰接口内。 该真空腔配有高压设备,安装操作时需注意断电。 | |